HELP TOPICS
DOWNLOAD

VDI 2230 (Part 1, 2015)

VDI 2330 (Part 1, 2015) - a VEREIN DEUTSCHER INGENIEURE standard released in November, 2015.

This Standard works for calculating single-bolt joints with a systematic method, organized into calculation steps, for calculating bolted joints, thereby making possible a functionally and operationally reliable design which makes extensive use of the bolt's load-bearing capacity.

To add the standard execute Standards - Main - Other - VDI 2230 (Part 1, 2015) from the ribbon:

Standard_vdi_2230

Press VDI 2230 (Part 1, 2015) | Help | SDC Verifier to Set Standard Custom Settings

Bolt Joint Types

Bolt Joint Type - can be TBJ (through-bolt joint) or TTJ (through-bolt joint);
Bolt Type - can be Hexagon head bolts or Socket head cap screws;
Bolt Rolled - set if bolt is rolled before or after heat treatment.

Temperature Loading

Temperature difference of the bolt;
Temperature difference of the plates/clamped parts.

Young Modulus

EP - Young's modulus of the clamped parts;
EBI - Young's modulus of the component with internal thread;
EST - Young's modulus of the bolt material at a temperature different from room temperature;
EPT - Young's modulus of the clamped parts at a temperature different from room temperature.

Forces

Maximum internal pressure - maximum internal pressure in the joint connection;
Minimum clamp load - minimum clamp load (symmetrically clamped joint);
Assembly preload - assembly preload (Table A1).

Number of Cycles

NZ - number of alternating cycles during loading within the fatigue strength range;
ND - number of alternating cycles during continuous loading.

Nut Dimensions

Nut thread minor diameter;
Maximum nut thread minor diameter - maximum nut thread minor diameter (depends on tolerances) (can be ignored in this case will be used Nut thread minor diameter);
Pitch diameter of the nut thread;
Maximum pitch diameter of the nut thread - maximum pitch diameter of the nut thread (depends on tolerances).

Press Button_Element_Characteristic to define characteristic of standard:

Standard_vdi_2230_characteristic

Press Button_pencil to define Connection, Factors and Strength Limits, Bolts Dimensions.

Standard_vdi_2230_general_options

Connection:

Standard_vdi_2230_connection

Sealing area (match AD in the standard document) - at most interface area less the through-hole for the bolt;
qM - number and position of the moment-transmitting interfaces;
Width across flats (match s in the standard document);
s sym - distance of the bolt axis from the axis of the imaginary laterally symmetrical deformation body;
ct - measurement of the interface area perpendicular to the width b;
Clamping length (match lk in the standard document);
qF - number and position of the force-transmitting interfaces;
Friction radius - friction radius is derived from the dimensions of the clamped components;
u - edge distance of the opening point U from the axis of the imaginary laterally symmetrical deformation body;
Hole diameter of the clamped parts (match dh in the standard document);
Inside diameter of the plane head bearing area (match dKi in the standard document) - used for requred tigtening torque calculation;
Effective length of thread engagement or nut height (match meff in the standard document) - used for m_eff checking if equl to 0 check will be ignored;
Width of the clamped parts (match b in the standard document Figure 13);
Moment of gyration of the interface area (match IBT in the standard document);
Thickness of the clamped plate 1;
Thickness of the clamped plate 2;
Substitutional outside diameter of the basic solid (match DA' in the standard document);
Substitutional outside diameter (match DA in the standard document) - substitutional outside diameter of the basic solid at the interface; if the interface area differs from the circular form, an average diameter is to be used.

Factors:

Vdi_factors

Factor - factor for G value calculation. Can be from 1.5 to 2;
Tightening factor;
Mu Tmin - approximate values for the range of coefficients of static friction in the interface (Table A6);
Plastic deformation - plastic deformation as a result of embedding, amount of embedding (Table 5);
Reduction coefficient - reduction coefficient (Chapter R8). For the reduced or comparative stress with a torsional stress reduced to k in service (recommendation: 0.5);
Coefficient of friction in the thread (Table A5);
Utilization factor of the yield point stress - utilization factor of the yield point stress (limit of full plasticization of the cross section at risk) during tightening;
Load introduction factor - load introduction factor for describing the effect of the introduction point of FA on the displacement of the bolt head, generally and for concentric lamping (Table 2);
Coefficient of linear thermal expansion of the Bolt;
Coefficient of linear thermal expansion of the Plate.

Strength Limits:

Vdi_strength_limits

Proof stress of the bolt - 0.2 % proof stress of the bolt according to DIN EN ISO 898-1;
Tensile strength of the nut (Table A9);
Tensile strength of the bolt (Table A9);
Average bolt load - required only for bolts rolled after heat treatment;
Bolt load at the minimum yield point - required only for bolts rolled after heat treatment;
Limiting surface pressure - maximum permissible pressure under bolt head, nut or washer (Table A9);
Shear strength ratio TauBM - shear strength ratio (Table 6);
Shear strength ratio Tau_BS - shear strength ratio (Table 7);

Bolts Dimensions:

Standard_vdi_2230_bolt_dimensions

d min (match d in the standard document) - minimum bolt diameter = outside diameter of thread (nominal diameter);
d2 min - minimum pitch diameter of the bolt thread (can be ignored in this case will be used Pitch diameter of the bolt thread);
dw (match dw in the standard document) - outside diameter of the plane head bearing surface of the bolt;
Pitch of the Thread (match P in the standard document) - pitch of the thread (Table A11);
l1 (match l1 in the standard document) - length of an individual cylindrical element of the bolt (shank length);
lGew (match lGew in the standard document) - length of the free loaded thread;
Stress Cross Section of the Bolt Thread (match As in the standard document) - stress cross section of the bolt thread according to DIN 13-28 (Table A11);
Shearing Area During Transverse Loading - shearing area during transverse loading;
Pitch diameter of the Bolt Thread (match d2 in the standard document) - pitch diameter of the bolt thread (Table A11);
d minor (match d3 in the standard document) - minor diameter of the bolt thread (Table A12);
d1 (match dT in the standard document) - shank diameter.


Bolts Library

It is possible to load d min, dw, Pitch of the Thread, Pitch diameter of the Bolt Thread, d minor, Stress Cross Section of the Bolt Thread, l1 Bolt Dimensions from library. Press Button_load_from_svg to open library:

VDI 2230 (Part 1, 2015) | Help | SDC Verifier

Press Button_add to add bolt:

VDI 2230 (Part 1, 2015) | Help | SDC Verifier

It is possible to set selection from Components, Materials, Properties or press Group to select elements manually:

VDI 2230 (Part 1, 2015) | Help | SDC Verifier

There are options to Edit, Highlight and Plot added bolts:

VDI 2230 (Part 1, 2015) | Help | SDC Verifier

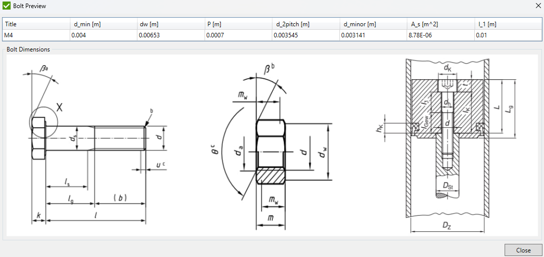
For more detailed preview of selected bolt press Button_info:

VDI 2230 (Part 1, 2015) | Help | SDC Verifier

Selected bolt's type can be changed. Select bolt type and length that correspond to requirement and press Button_info to finish modification:

VDI 2230 (Part 1, 2015) | Help | SDC Verifier

It is possible to preview dimensions of all bolts. Press Button_info to open preview window:

VDI 2230 (Part 1, 2015) | Help | SDC Verifier

To keep previously defined bolt dimensions characteristics option Keep Existing must be checked. Otherwise, previouse created bolt dimensions will be cleared.

VDI 2230 (Part 1, 2015) | Help | SDC Verifier

All bolts from the list will be added automatically to respective characteristics.